101种胆机电路图

相关图片

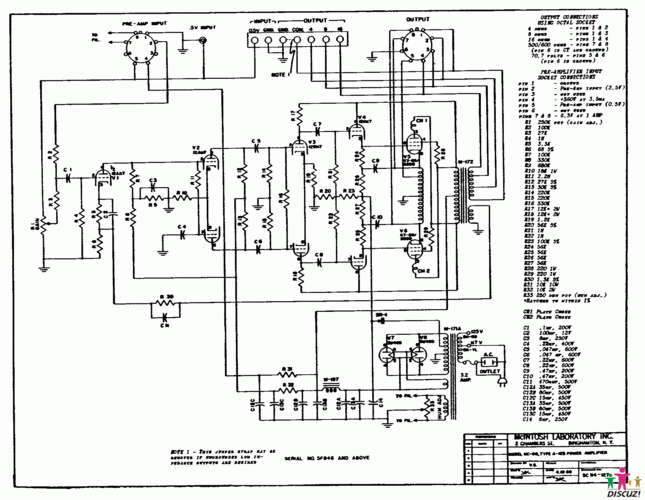
麦景图275胆机功率放大器电路图

>经典麦景图电路

69 胆机diy论坛 69 请问有成功仿制麦景图 mc275 的例子吗 [size

麦景图275胆机kt88串火求助

[组图]胆机电源

随机推荐

袁冰妍倾城亦清欢 #袁冰妍落花时节又逢君 #清纯甜美 喜欢 - 抖音

有没有知道这个表情包的小女孩是谁呀! 有没有知道这个小女孩是谁呀!

毛白剂漂粉潮粉褪色粉lpp蛋白粉不伤发褪色膏漂发剂美发用品钟少佰

卡通简约乐器装饰海报设计小提琴

帮我拍拍广播剧

睡梦中的小猫猫可爱卖萌高清电脑壁纸

世界3大宗教

月球 由远到近 震撼 4k素材