正反牙梯形丝杆螺母双向丝杠tr121620252830t型丝杆螺杆正反丝杆t1641

相关图片

9级t型形螺杆方头螺栓螺丝钉后盾注塑压铸机冲床模具弓形压板 m12*100

东莞图塞批发原装imao进口 bj749 t形螺栓 bj749-08010

t型丝杆梯形螺杆直径t30t38t型螺杆配螺母45号钢全牙丝杆

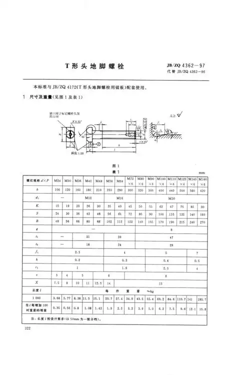
jb-zq_4362-97_t形头地脚螺栓

din 188-1987 t型带榫螺栓 t-head bolts with nib

随机推荐

关晓彤对鹿晗的称呼,你想不到,不是老公,不是宝宝,是……_祝福_都会

治愈系清新唯美风景自然桌面壁纸

魏大勋 和这首歌很搭的几张照片. - 抖音

社区卫生服务中心孕妇建册现况分析

头像|八一建军节,致敬军人 八一建军节,成立九十五周年,致敬军人

精武门甄子丹 陈真这回遇到了狠人!

临时搭建的舞台,为庆祝祖国70大庆.

斐乐(fila)猫爪4代蔡徐坤同款老爹鞋厚底增高女鞋火星鞋男运动鞋