昊威赛特6v5ahcub防水秤铅酸蓄电池电子秤称通用电瓶bt6m50at配件全新

相关图片

铅酸蓄电池

铅下游消费较为集中 铅酸蓄电池需求占比约超过八成

gfm-600(2v600ah)固定型阀控式密封铅酸蓄电池

12v33ah阀控式 免维护铅酸蓄电池

阀控式密封铅酸蓄电池12v200ah电池销售

随机推荐

九,鲁豫:瘦子界的鼻祖

易烊千玺的正装

下期快本太精彩钟汉良给谭松韵按摩腿张彬彬景甜现场撒糖

王俊凯壁咚男助理,距离近到能听见呼吸,嘴角笑容让路人忘记走路

苏泊尔电压力锅家用智能双胆高压饭煲6l官方旗舰店正品3-4-5-8人

323_202gif 动态图 动图

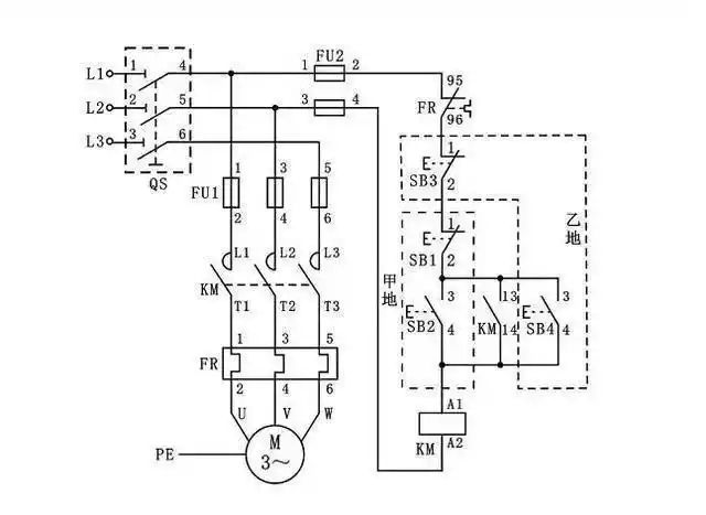
15,三相电动机异地启动控制电路.

天命之子destinychild圣女丽塔蛇萝