南都讯 记者王玮 发自北京 全国重大事故隐患专项排查整治2023行动

相关图片

北京市发布优化政策努力营造稳定公平透明的营商环境

王玮 一级建造师 建筑工程管理与实务 精讲通关 1a410000 (9) 建筑

无之以为用的匠心北京北建大城市规划设计研究院院长王玮

王玮对学校"立足北京,服务首都"为北京市培养和输送高质量人才表示了

探秘地下空间 听北京市民防局长谈人防工程如何公益便民 _新华网

随机推荐

二次元动漫壁纸超酷的动漫壁纸

华晨宇抽烟照被她曝光,这个节骨眼,是想蹭王源热度?

全屏壁纸ins风甜酷少女

48岁的蒋勤勤让人惊艳,网评:她要是没结婚,肯定更出名_腾讯新闻

齐耳短发发型造型更多变,修饰脸型好打理,但是最经典百搭的短发还是齐

吊炉烧饼炉子图片

《王牌对王牌》重聚梗终于玩崩了,06超女重聚火药味连连_尚雯婕_许飞

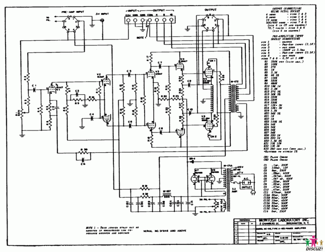
发个麦景图 mc 275 电路图