经典电路电动机点动控制线路介绍

相关图片

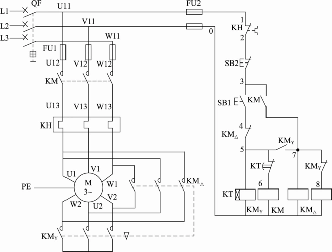
理解原理,快速学会接线的法宝 电动机点动与连续运行控制电路原理图 2

免费文档 所有分类 工程科技 电子/电路 电力拖动控制线路图及原理

电动机自锁控制电路图(三相异步/自锁正转控制电路图)

免费文档 所有分类 工程科技 电子/电路 电机y-Δ转换起动控制实验

文档下载 所有分类 工程科技 电子/电路 > 星三角启动控制原理图第1页

随机推荐

仙气飘飘!胡杏儿久违穿古装照 白色长裙温婉动人

抖音热门文字壁纸|花店不开了,花继续开

古力娜扎,景甜,陈瑶,刘浩存,共同演绎温暖治愈的时尚风潮!

剑网3重制版天策四阶95小橙武实装外观展示小橙武截图欣赏

章龄之《包三姑外传》喜感足 坦言智慧不逊柯南_新闻台_中国网络电视

南京医科大学-彩色版南京医科大学-单色版南京邮电大学南京邮电大学

只要平凡小提琴谱带指法弓法f调g调升f原调

手机壁纸李明德