柴油车,电瓶先装的负极后装的正极没有事吧!

相关图片

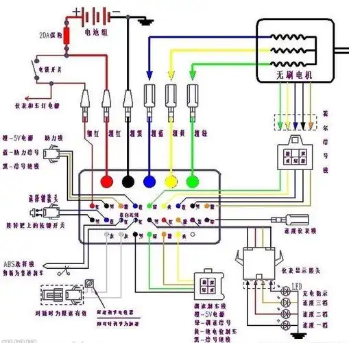
48v电动车控制器接线图电源锁控制器细供红线接电源,锁黄线接在什么土

48v电动车真实接线路图 电池盒上红线接第一块电池正极

电动车电瓶电池48v20ah电池盒装两个电池分体式电池连接的电路图

48v60v电瓶接线图

1,将2只并联成一组,相当于一个双倍容量的电瓶,电压不变.

随机推荐

江疏影的好身材被低估穿黑纱裙曲线饱满却被牛奶肌抢镜

超级简约可爱黑白微信头像

原创沈月出道成名谜团重重演技一般还能上舞台身高更是未解之谜

一串小香蕉特写在一个白色.孤立.

95疯狂心动 华为状态栏真滴绝绝子.

肖战 #玉骨遥 #红衣古装 这一身红衣造型绝美 - 抖音

肌肉的凯谁不爱

高晓松最新照片曝光似贾玲引发网友热议减重后的他焕然一新