依靠锂电池组达到500公里续航,特斯拉怎么做到的?

相关图片

特斯拉首批4680电池将至搭载modely预计一季度末交付

特斯拉新电池能用100年暂时不会量产或更适合储能

宁德时代和特斯拉电池都是锂离子电池在具体的优劣方面还存在差异

到底哪种好?通用,特斯拉的电池技术路线之争

11日tesla4680电池包

随机推荐

复古港风又美又飒,让你潮得不一般|发型|短发|短卷发|大波浪_网易订阅

火影忍者经典动漫大图壁纸合集

肖像

霸气原宿风戴眼镜酷拽女头图片_女生头像_美头网

张杰 未·live-「曜·北斗」巡回演唱会郑州站第一场圆满成功!

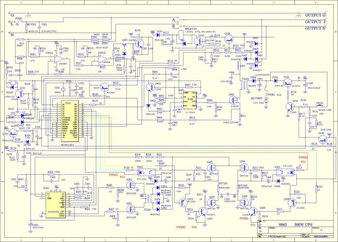
eechina首页 69 电源技术 69 电路 > ups线路图

张一山因《春风十里》被骂"渣男"

演员田小洁从工人到演员娶女神江珊为妻事业爱情双赢