36v电池充电器电路图

相关图片

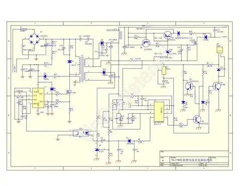
部分锂电充电器原理图

锂电池充电器电路

文档下载 所有分类 工程科技 电子/电路 > 特能4820锂电池充电器原理

教你做一个锂电池充电器,18650不用愁没充电器了

降压-升压型转换器4节磷酸铁锂(lifepo4)电池充电器电路图

随机推荐

肖战的语录永远支持哥哥79

封神的逗号刘海 朴灿烈 lotto 舞台合集

美发海报图片

杨颖抢镜辛苦了!"透明装"露出内衣.网友:见过黄晓明吗?

红色系头像唯美女生头像

邓恩熙16岁生日会(花絮 宣传短视频)胡先煦&邓恩熙&郑伟

防雷接地.png

警车,大教堂广场,广场,米兰,伦巴底,意大利,欧洲