xjk-ly型 螺杆式空压机智能控制器

相关图片

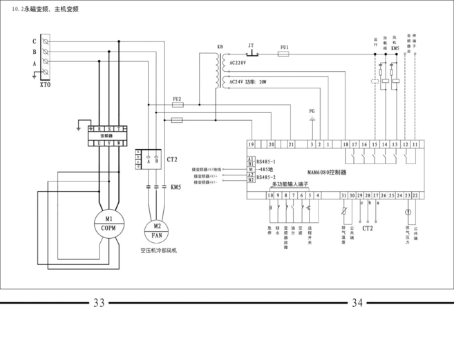
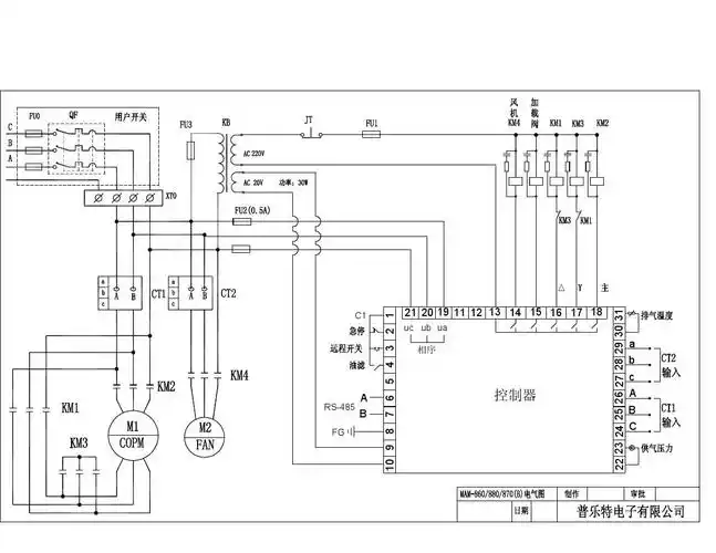
华达永磁变频螺杆式空压机操作说明书电气接线图

螺杆空压机原理螺杆空压机原理图

无油螺杆空气压缩机|空压机售后服务-无锡新辑设备工程有限公司

徐州空压机博莱特— blt-100ag 风冷变频式螺杆压缩机

捷豹永磁变频螺杆空压机

随机推荐

tfboys7周年演唱会,5款造型在线官宣,粉丝这下有眼福了

蓝色唯美精致生日蛋糕宴会活动背景生日视频生日背景

这个夏天你桃不掉了

到底什么样的终点才配的上这一路的颠沛流……#二人世界变四口之家

《失孤》剧照,刘德华饰演男主角雷泽宽,其原型正是郭刚堂

"他就是当年令我怦然心动的怦然心动的男主啊.

龙珠英雄自在极意才是王道扎马斯再现目标狙击全王

电脑使用绿色的桌面会有保护眼睛的作用,绿色蓝色的颜色波长对眼睛的