现代三居装修施工图-住宅装修-筑龙室内设计论坛

相关图片

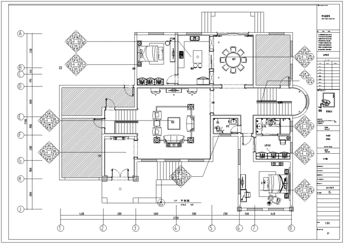
三居室现代样板房室内施工图设计

海南三亚154㎡现代四居家装样板间施工图

万科金御榕郡室内施工图设计(附实景图)

中式风格全套施工图_施工图纸_室内设计联盟 - powered by discuz!

某星级酒店豪华客房室内装修设计cad全套施工图甲级院设计

随机推荐

[经典红蓝大战]周杰伦《范特西》vs陶喆《david tao》华语两大神仙

史可饰隆夫人△王绘春饰隆福△肖茵饰演洪凤鸣△杨昆饰佘管家

刘德华女儿刘向蕙从小吃素原因曝光百亿千金健康堪忧

500_889竖版 竖屏

段智兴

前沿一镜在手无所遁形市一医院皮肤科新引进皮肤镜神器到底有多神奇

吉祥物卡通太空狗

wow~爆款#百事可乐太汽系列#又出新品啦-白柚青竹味,之前出的白桃