电动机保护器接线图

相关图片

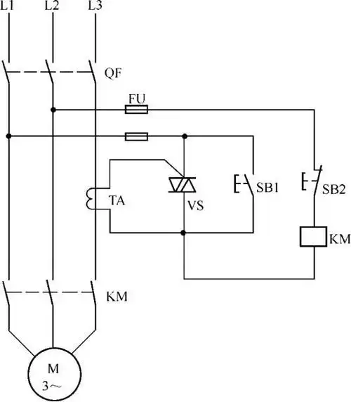
电工知识:三相电机缺相保护电路,接线步骤一一讲解

三相电动机缺相保护电路的工作原理

断相与相序保护继电器的接线方法图解

相序保护器接线图

德力西电机综合保护器jd-5三相电380v电动机过载过流缺相断相保护

随机推荐

表情包##表情包无水印##搞笑表情包

他还请来钟镇涛,梅艳芳,张曼玉这些大牌巨星,刘德华于一九九二年投入

党旗飞扬

组图华晨宇萌探2cos庞统红衣古装加羽扇帅气俊朗

杨幂的雪见才是yyds吧!__财经头条

当红明星肖战写真:清新俊逸,气宇不凡!

家有儿女刘星表情包

卡通牛头人