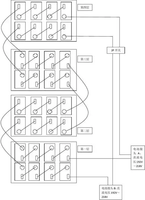
不间断电源蓄电池接线图 apcups电源

相关图片

不间断电源蓄电池接线图 apcups电源

ups不间断电源接线图

ups备用电源的电池问题!

山特ups电源6ks(6kva)山特4.8kw供电1-8个小时

关于ups接线图与四种工作方式详解

随机推荐

焦俊艳和张翰准备谈婚焦俊艳和张翰到底有可能吗

加装车棚,会被罚吗?

别克 grand national gnx,和他那黑武士一样的前脸

八字预测回顾邱泽承认追求张钧甯

那个陆十六神经酰胺凝露对皮肤泛红真的有用嘛

翔霖屋顶会着火 cr 水印 - 堆糖,美图壁纸兴趣社区

尖头短靴女单靴新英伦风马丁靴中跟粗跟皮鞋女 黑色 单里 38

倪大红妻子叫什么倪大红妻子和倪萍的关系意想不到