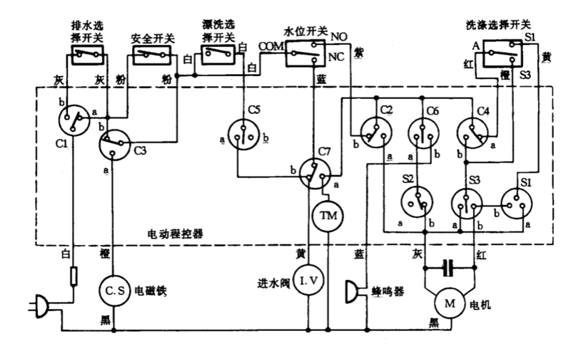
半自动双缸洗衣机电路家用电器电路

相关图片

xpb2s型洗衣机接通电源后波轮不工作

文档下载 所有分类 工程科技 电子/电路 > cxd-1型全自动洗衣机电气

白兰xbb303s洗衣机电路图

型全自动洗衣机电路原理图见图1

申花牌全自动洗衣机-其他控制电路图-电子产品世界

随机推荐

迪丽热巴 《时尚芭莎》八月刊封面大片发布95热巴仿佛置身于金色

刘宪华什么背景 刘宪华是几国混血儿

2021最新微信手绘女生头像

植物图片 高清护眼清新绿色植物图片壁纸 - 【可爱点】

汪诗凡-线描初级点线面练习

热血枪手开播陈龙印小天主演美女谍战加抗日枪战

聚宝盆山水旺财画!

贵州黄平:瑞雪梅花两相映 玉尘纷纷盖枝头_初雪_大地_雪景