电动车控制电路及电机故障检修

相关图片

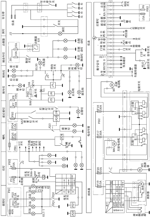
电动车整车线路图

电动自行车维修全资料

电动车控制器线路图 1.电动车控制器接线图

电动车原理图

电动车控制器接线怎么接请给我一个详细的答案

随机推荐

11.8日绿城兰园最美旗袍模特秀.摄像制作:杨萍

任贤齐

白敬亭也分享了最近的生活状态,他在ins晒了游泳照,照片中白敬亭半躺

易烊千玺的腹肌王源的腹肌肱二头肌王俊凯的胸肌腹肌

宋小宝的成名史:从洗碗工到喜剧大咖,他是怎么一步一步逆袭的?

山丘吉他谱c调扫弦版李宗盛

十大国民女神刘亦菲古力娜扎热巴杨幂景甜杨颖倪妮张天爱张雨绮

可爱卖萌动物勾边漫画贴纸插画元素小浣熊