欧美盘发,欧式盘发,新娘,盘发,造型,发型-晒甜蜜婚纱|婚嫁分享

相关图片

欧美盘发新娘造型

宫廷风复古纹理盘发欣赏

欧式新娘盘发

欧式古典新娘盘发,婉约如落入凡间的仙子

复古宫廷风盘发

随机推荐

欧弟承认女友怀孕!他父母离异,替父还巨债,重庆籍前妻现状如何

范冰冰:早期清纯的女神

辛丑赵孟頫行书春联65副

江西特产千层糕

十位女明星的军装照对比

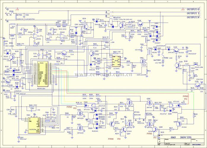
ups线路图 --电子电路图--电子工程世界

的个性唯美背影头像情侣一人一张好朋友不分男女长发女生背影唯美头像

高校教师作品重现西安记忆 以画为媒献礼建党百年