380v交流接触器不带热保护3201的实物接线图

相关图片

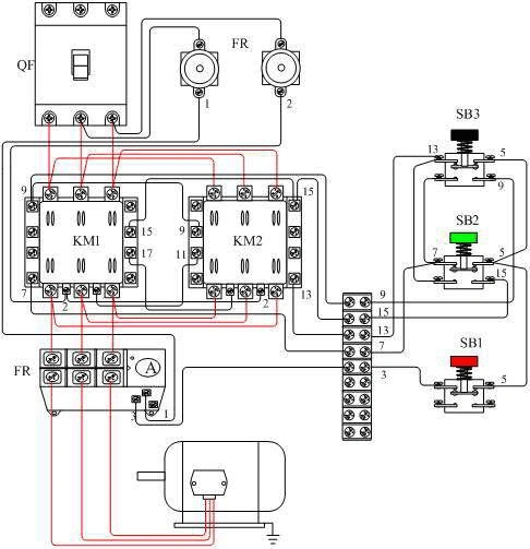
一起学电工三相电机自锁电路接线图电压36v380v接触器

380v交流接触器互锁及限位实物接线图

三相三百八十伏交流接触器正反转联锁或自锁怎样的控制线怎样联接!

如果想学习接触器的接线,那么最基本的两个电路一定要懂,一个是自锁一

2个按钮加2个cjx2-253(380v)交流接触器点控接线图

随机推荐

李一桐这一身西装美爆了!

层次感短发八字刘海温柔甜酷可爱唯美

赵丽颖出生日期及家世情况演员赵丽颖个人资料简介

假发男短发网红锡纸烫短卷发韩版帅气男生蓬松摩根离子烫潮流发片

专业的女教师

汉武大帝

快乐酷宝蛙王酷宝

汗脚求救,女生脚气脚臭怎么办! - 知乎