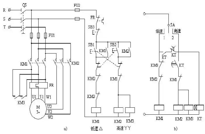
单向运行电气控制线路

相关图片

28例电气自动控制电路图都是干货快收藏吧

54种电动机电气控制电路接线图

28例电气自动控制电路图都是干货快收藏吧

电机与电气控制技术试题库和答案

plc编程第一讲长动控制 三相异步电动机全压启停控制的 电气原理图

随机推荐

张国荣lesliecheung的图片

实拍吉普牧马人内饰精致配置高进口越野suv-奇点

陈红军用生命践行"祖国山河寸土不让"的誓言

缺席了一些时期的小乖.#马嘉祺 #养成系 #爱惨了这个男孩 - 抖音

华晨宇的发际线#问就是华晨宇背头太好看了,又帅又可爱

内心的平静

最帅还是两侧铲短,精神时尚真有型|碎发|脸型|飞机头|圆寸头|男士发型

学生时代的记忆对我发出美食邀请👣有些"情愫"就是一碗巷口