接触性皮炎

相关图片

过敏性皮疹皮炎不同类型的过敏性皮炎症状图片3过敏性皮炎发生的原因

接触性皮炎

得了过敏性皮炎有啥症状

遗传过敏性皮炎

考虑接触性皮炎#解决皮肤问题专注皮肤美容##过敏#使用化妆品过敏的

随机推荐

你是我的荣耀 #杨洋 #迪丽热巴 #荣耀夫妇

凯宝优越的侧脸#王俊凯 #男生头像 #头像 #氛围感

古装剧七位美男,哪一个放在现在都是顶流,最后一位很可惜

睡觉的小女孩简笔画

《雪豹坚强岁月》中的坚强女演员

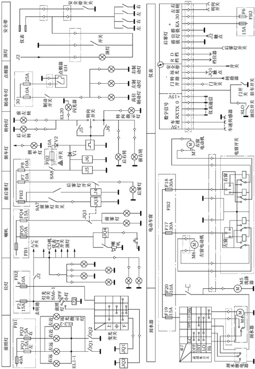
电动车原理图

傅恒魏璎珞遇到你是我有生之年最大的幸运

合体字你认得几个