中国台湾女明星:陈乔恩

相关图片

台偶审美有点迷,姿色平平的总演女主,美若天仙反而成配角

盘点经典台湾偶像剧里的美艳女二号们

iphone 壁纸 台湾女孩,周子瑜 06

台偶审美有点迷,姿色平平的总演女主,美若天仙反而成配角

早年间,台湾偶像剧在大陆盛行,其中最流行的剧情就是"王子爱上灰姑娘"

随机推荐

ae86微信头像图片大全【点击鼠标右键下载】

欧美风挑染合集|瑞安染发

女毒贩方晓红:长相绝美被多人包养,被捕后成福建首例注射死刑犯

只是一刻的心动-百合小两口婚博网

干货分享图解iphonex拆机步骤

郑元畅所带领的综艺班在第二期节目的一开始便迎来了首次公演,原本就

学校体检脱女生裤子(裤子脱了)

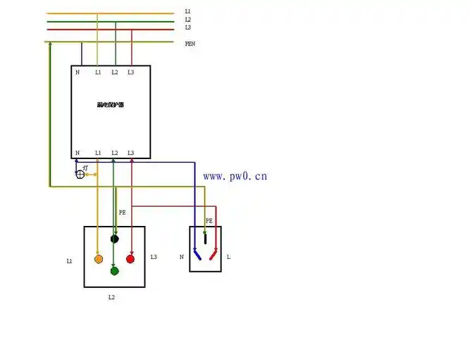
三相四线插座怎么接线?三相四线插座接线图解