张艺兴离开《极限挑战6》?节目开启"烧脑"模式,成员不见热巴

相关图片

郭京飞极限挑战第六季第七期cut

郭京飞极限挑战第六季第十一期cut

《极限挑战》发布开箱海报,郭京飞拼辈分,网友:还是拼广场舞吧

极限挑战:郭京飞假装与岳云鹏结盟随后将其淘汰,演技派玩家啊

极限挑战:来自老鲜肉的倔强!郭京飞自称00后与王迅划清界限

随机推荐

杨幂北京机场出发7615上海 黑白格子衫 黑色短裤 黑色帽子

可爱女生头像清新超萌甜美乖巧女生图片大全

处女座天蝎座头像女生 处女座和天蝎座的情侣头像-蜀川星座网

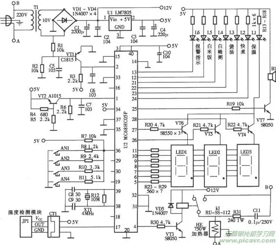
智能模糊控制电饭锅电路

日系绝美意境动漫风景手绘插画,艺术壁纸-回车桌面

脖颈前倾的危害与修复

蜂窝- logo世界

描述: 夏日海滩-自然风景壁纸 当前壁纸尺寸: 1920 x 1440