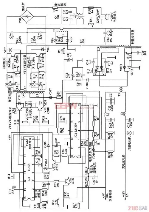
电瓶车充电器电路.jpg

相关图片

(共3页,当前第1页) 你可能喜欢 万能充电器原理图 无线充电器电路图

电路识图72电动车充电器电路原理详解

锂电池充电器电路

收集电动车充电器电路图30张,以备不时之需

电瓶充电器原理图

随机推荐

图黄晓明光头亮相帅气逼人

白发 容乐 张雪迎

李沁魏大勋同游海边,两人就撒狗粮吧!"清新"cp甜得要命,齁甜

cp - 饼盖饼盖,聪明盖世

百分九

法式湖蓝色挂脖吊带连衣裙子女夏气质高级感三亚海边度假沙滩长裙

供应九鼎配音工作室为您选择最适合您的声音

空乘 #空姐 #乘务员 #靴控 #大衣 #冬靴 #过膝靴 #靴子 #皮靴 #覆筒