王俊凯×蒙牛酸酸乳

相关图片

赞意×可口可乐纯悦×王俊凯代言人海报kv

用案例投射年轻消费观炫迈携手王俊凯给你满满热爱根本停不下来

世界杯##川小可看世界杯##川小可福利时间##王俊凯纯悦品牌代言人

黑糖双拼 珍珠奶茶 珍珠果 红豆 90g 王俊凯代言

味全乳品自然甄选##王俊凯味全乳品代言人##冬至

随机推荐

刘涛唯美仙气写真桌面壁纸

iphone xs这可是最新出炉的哟今天给大家准备的是两组iphone内部壁纸!

性感美女angelababy图片桌面壁纸_大陆明星_壁纸下载_美桌网

小公主9499发型教程来了.

张雪迎演的最现实的电影(张雪迎从小到大的18部影视剧)13

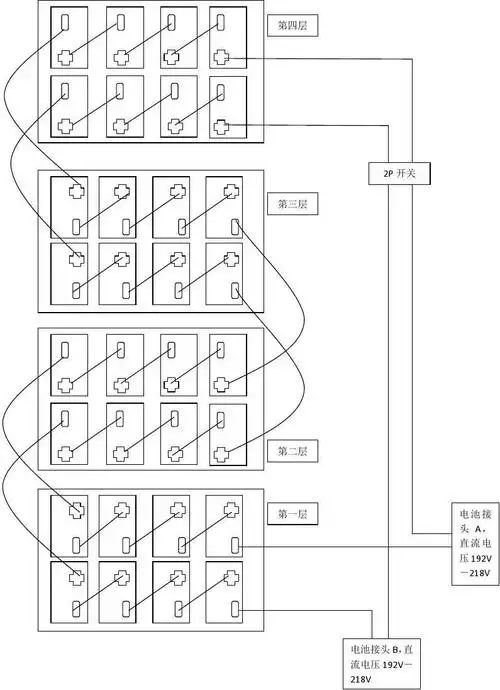
接触器接线图

拼豆豆图纸 电视 杯垫

侃历史:他虽然站对了政治队伍,却因功高震主而被赐死,遗憾!