t型螺栓 工业流水线配件 铝型材配件 异型材配件

相关图片

东莞图塞批发原装imao进口 bj749 t形螺栓 bj749-08010

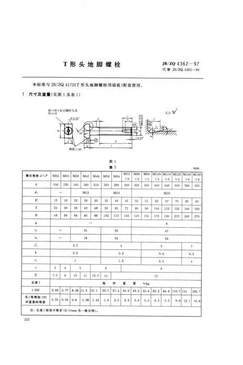
t型螺栓尺寸标准如图(单位:mm)t型螺栓国标规定了螺纹规格为m5~m48,b

螺栓高强度t型槽压板螺丝t型丝 机械槽用螺栓 锻打螺栓 多种规格型号

凯聪螺丝部件 定做m5mm8m10m12304不锈钢t型螺丝t型用螺栓t形压板螺丝

1-2000 栓接结构用大六角头螺栓 螺纹长度按gb/t 3106 c级 8.8和10.

随机推荐

范冰冰 - 堆糖,美图壁纸兴趣社区

说好不哭钢琴谱简易版周杰伦

"临沂"城市logo设计

北极星的眼泪-微笑pasta背景音乐双手简谱预览2

非遗技艺 #古建彩绘 #抖音文化榜 #手艺 - 抖音

宋茜身着泳衣在泰国度假拍照! 这个身材还不错,但也有人说是普通.

天真`无邪

健康中国河北行动政策解读⑩老年健康促进行动宣传关注服务助力银龄