5/16~24型压缩机填料部件

相关图片

cn106224549b_填料函密封结构及包括该结构的卧式填料函热交换器和

cn2432354y_往复式空气压缩机的填料组件失效

一种活塞式压缩机填料冷却结构

往复活塞压缩机油润滑填料函应用 上>

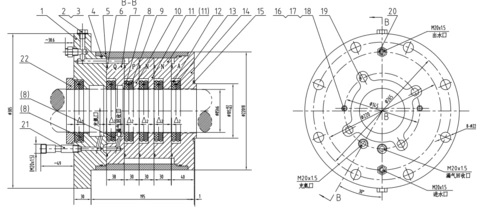
半封单螺杆压缩机装配图

随机推荐

有种惊艳叫王一博和肖战摸头杀转身的瞬间服务器都瘫痪了

无限赛罗手绘

最美口罩脸戴上口罩的明星依旧那么帅盖住脸庞那考验的就是眉眼和发型

生日宴菜单78

林彦俊白色v领西装造型

今日毒奶03年小叶问4女主角李宛妲

你觉得哪个最酷踩空气挑战踩空气

王晶犯罪新片《追虎擒龙》终极预告,古天乐林家栋vs梁家辉吴镇宇!