欢乐颂2樊胜美蒋欣同款项链闪耀钻石项链颈链女s925纯银项链

相关图片

欢乐颂2蒋欣樊胜美同款项链925纯银锁骨链曲筱绡王子文女简约饰品

我们的婚姻蒋欣同款项链女高级设计感吊坠扇贝2022年新款潮锁骨链

盲约夏天蒋欣同款项链女纯银时尚项链防过敏气质锁骨链玫瑰金韩版

swarovski施华洛世奇蒋欣同款人造水晶项链2018新款stone系列幸运珠

40岁蒋欣走机场,穿真丝衬衫解开两枚纽扣,戴三层珍珠项链好贵气_体型

随机推荐

睫毛精霍建华

明星怀旧系列图片壁纸万绮雯

小宋视角:另眼看明星——张蓝心,腿上功夫实在是厉害

惊心动魄!"林李大战"林丹遗憾落败无缘男单决赛

坐地铁一分安检,十分平安

曹县新型吊炉烧饼机厂家

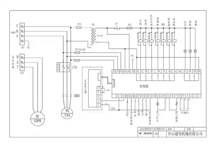
高压电机驱动螺杆压缩机电气控制原理图

看过浪花你就爱会上浪花 看过大海你眼里就会有汪洋 身体能到达 - 抖