380v交流接触器不带热保护3201的实物接线图

相关图片

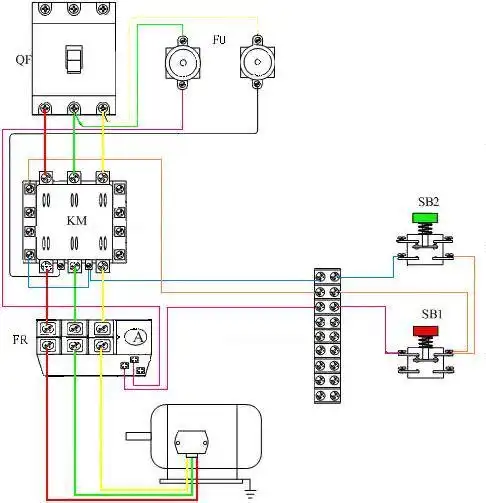
cj20交流接触器加热保护器接线方法图解

继电器,热保护器,接线柱如何实现连接,哪个接线圈等

谁能把热过载保护器接线图发一个给我,谢了!

三相电机带过热保护带制动器11根引线

热继电器怎么接线,接继电器的安装及接线图

随机推荐

枪毙行刑 ,其实也是一种技术活

奔跑吧第十季 #angelababy #蔡徐坤 期待鼻和坤 - 抖音

郑爽近况曝光!

电动三轮车接送孩子车老年人三轮车.

王一博同款5g手机小米redmik50系列首次迎来降价3款机型如何选择

举着血淋淋的手指求助!

季肖冰老婆?赵露思张元英?韩国男爱豆点外卖?张碧晨音乐圈的地位?_the

清朝时期钦天监遗址在哪里