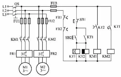
鼓风机电动机基本控制电路

相关图片

所谓互锁电路是指控制电路中两个或两个以上控制回路之间的相互制约.

电气控制电路图设计绘图电工线路画图制图工具软件继电器模拟仿真

自动往返控制线路

45张电工常用电动机控制电路图

5,自动往返控制电路原理图4,双重联锁正反转控制电路3,接触器控制的正

随机推荐

贾玲丈夫近照曝光二人结婚6年之久长相让人意外

(朋友)《周华健》-价格:10元-au27746007-磁带/卡带 -加价-7788收藏

带你欣赏83版射雕英雄传精彩片段

邓超晒有毒画遭本尊爆笑回应画面感十足

雨中随拍静落花

如图是有氧呼吸过程的图解.请据图回答下列问题.

超高度近视怎么办

发动机故障灯图标