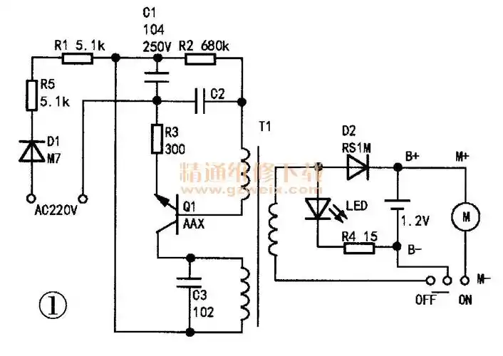
7v 锂电池自动充电电路

相关图片

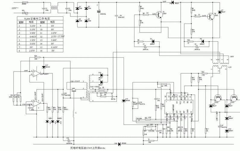
电动车充电器电路图3524

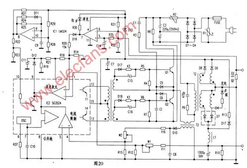
电动车gd36充电器电路图

多功能简单充电器电路图

万能充电器电路图

飞科fs812型剃须刀不充电故障检修

随机推荐

无偿领养博美幼犬活体长不大茶杯犬袖珍纯种俊介口袋杯子狗宠物狗

《第三种爱情》发穿衣指男特辑 刘亦菲霸气扑倒宋承宪

香港男演员大全香港电影巅峰期男影星

李一桐《云秀行》男装路透,仪态真的好#李一桐

48岁陈紫函,饱满有料着实让人着迷!_演技_时尚_观众

评价武则天

赖冠霖比心二787878

躺在网红玻璃屋里看极光 拥抱圣诞老人,圆梦童年幻想 乘坐全球唯一的