电饭煲的电路图大全

相关图片

原理与维修1上一页第9页 下一页 你可能喜欢 电磁炉原理图 电饭煲维修

美的电饭煲电路板ebfch48a7还找到类似电路图了

美的电饭锅电路图

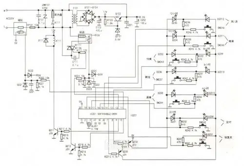
美的电脑式电饭煲控制板电路图

智能电饭煲工作原理图

随机推荐

刘恺威接小糯米放学引争议,网友:别拿孩子当噱头!_女儿_杨幂_成长

5伏低汞优质锌锰干电池. 4,规格:3号.

180斤真胖女生超舒适穿搭

易烊千玺萌照大放送,全程姨母笑,最后一张干啥呢?

超炫的流行舞爵士舞视频

古装影视兰陵王妃同款粉色汉服日常仙女女服古典民族服装

折纸妖魔的妖魔洞小游侠们来支纸飞镖吗三段变形的折纸飞镖风火轮折纸

于明加是最干净的女明星,出道14年0绯闻,如今家庭幸福_观众_胡俊_电视