电饭锅电路图纸19希贵电脑多用式

相关图片

容声cfxb5090da型多用电饭锅电路图

电饭锅智能模糊控制电路图

容声单双灯保温式电饭锅电路图cfxb

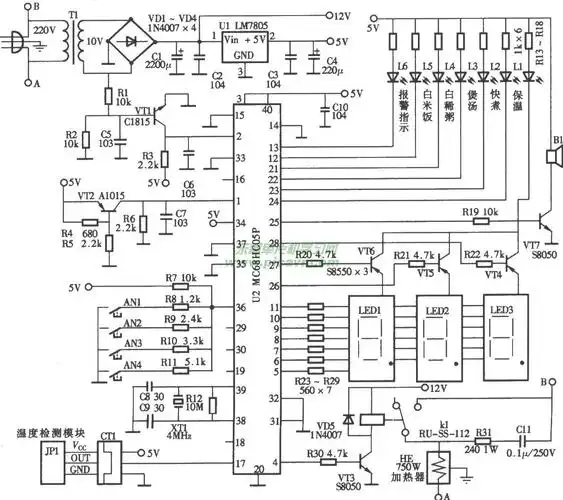
电饭锅的电途图与管事意旨及火马电竞维筑能力(图1)

容声cfxb1型,3型,4型双灯保温式自动电饭锅电路图–电路图–电子工程

随机推荐

广州气球派对布置|ktv生日布置.少女心粉色系ktv生日派对 - 抖音

科左中旗幼儿园"快乐读书月"系列活动之宝宝讲故事

蔡徐坤晒湿发对镜自拍

80后小时候的回忆-吃玩篇-最怀旧 - 极酷网

8寸的照片:15.2cm*20.3cm.英寸是6*8,大概是a4打印纸的一半.

小鬼王琳凯咻咻咻滑板鬼给你展示流利的操作

服装鞋帽>女装>女士套装>opzc>opzc女士套装>