05拆装玩具模型抛壳版鲨鱼98k狙击枪金属枪模65cm

相关图片

原创配备zf41瞄准镜的98k卡宾枪竟然是世界上第一款侦察步枪

图解二战名枪:德国经典步枪kar 98k

88式狙可发射玩具大全8到12岁awm抛壳软弹枪射程远枪玩具成人98k抛壳

吃鸡awm绝地98km24狙击水弹抢儿童求生玩具男孩九八k枪

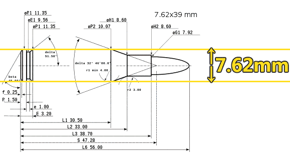
我们都被吃鸡骗了,98k用的根本不是7.62mm的子弹

随机推荐

原创李沁私下真实素颜曝光,与精修图"判若两人",不化妆几乎没眉毛

王俊凯,一个曾经被誉为亚洲最受欢迎偶像之一的tfboys队长和颜值担当.

早期视觉中国下的李易峰 清新有活力

宋代汝窑清凉寺,精细图案,蟹爪纹明显,100度放大镜图片,6 - 抖音

少女动漫人物绘画简笔画长头发可爱的小女孩可爱的卡通人物简笔画动漫

电饭煲氖泡指示灯电路能否不接电饭煲发热体通电检测氖泡发光

四川凉山悬崖村,1600米悬崖,4公里2556级天梯,部分区 - 抖音

排卵期出血能同房吗