滑差电动机自动调速系统电路图

相关图片

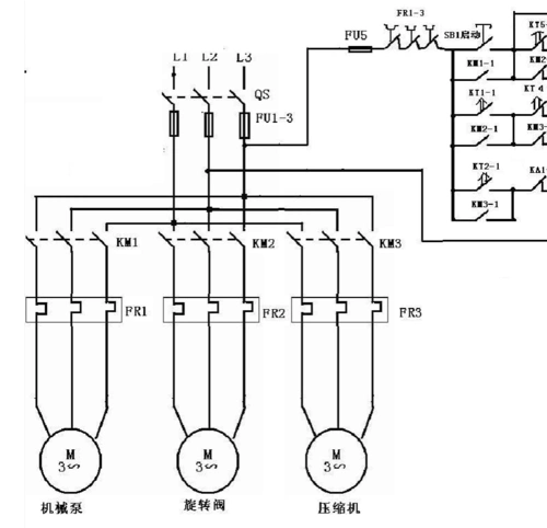
电动机常用原理接线图

电机- 优质问答专区

单相双值电容异步电动机

这是你要的单相双值电动机内部接线的两种接线图,希望对你有帮助

印刷设备电磁调速异步电动机滑差电机

随机推荐

孤单寂寞微信女生头像,心情头像图片-回车桌面

30种简单好看的扎头发方法图解| jiaren.org

张艺兴上吐槽大会吴亦凡约老炮儿选择决定命运

时代少年团无尽的冒险东方音乐风云榜1080p现场版

囧 国家地理杂志出版魔兽世界地图册

健身太帅了女生腹肌也能开瓶盖

小幽灵

小马宝莉简笔画.