西九龙 - 擎天半岛 01

相关图片

九龙站擎天半岛有投资者见市旺遂「租转卖」.(林惠芳摄)

west kowloon - sorrento 02

西九龙擎天半岛

西九龙 - 擎天半岛 09

擎天半岛 sorrento,位于香港西九龙柯士甸道西1号,为港铁九龙站上盖

随机推荐

郭富城早前帅气经典高清图片

路易莎·贝卡里亚2015米兰时装周春夏高级成衣发布.

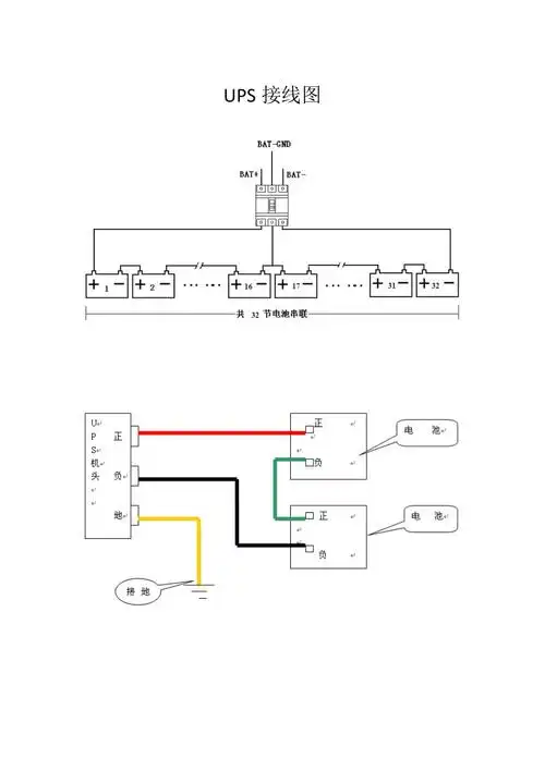
ups接线图与维修说明

blackpink rosé会见哥伦比亚唱片董事长,高管关注所有成员

出院后分别于3个月,6个月或出现异常情况时,请及时来院复查.

女款洛丽娅保守温泉裙式比基尼三件套小胸聚拢显瘦游泳装泳衣

证件照拍摄小技巧女生篇精致证件照

医院眼镜店展板宣传眼睛眼球剖面结构解剖图眼科广告海报挂画贴纸 06