二级三级电箱接线图

相关图片

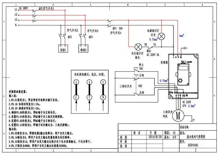
配电箱电路图

桩机电箱电路图,电箱电路图_大山谷图库

二相电箱七路照明线路怎么接电线图解?

终于把三级配电二级漏保说清楚了

配电箱电路图

随机推荐

刘亦菲拥抱杨洋,梦回《三生三世十里桃花》,说好的二搭呢?

9款个人简历打包(精选模板).pdf 9页

《破云2吞海》步重华90吴雩

张杰我会回来的

王露露隋然宁馨是哪部电视剧里的人物宁馨和隋然的结局

一组美丽的女生茶色系染发图片

上海主持人刘彦池37岁台上璀璨台下美满两度嫁入豪门

加厚雪地靴女款中高筒加绒厚棉鞋保暖韩版防水防滑长靴子sn0852紫色39