三相三线制

相关图片

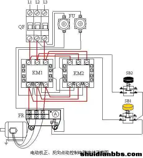
三相电正反转接线图

三相交流电的两种接线方式: 三相电在电源端和负载端均有星形和三角

广东雅达dsz3366三相三线智能电能表直通式怎么接线?

怎么接电动机,电动机接线端子有上下两排,下排接黄绿红的话,那上排

三相三线经电压,电流接线图

随机推荐

青涩时期的刘亦菲:笑容治愈,颜值担当

赌神:周润发意外失忆变成傻子,帮助华仔发家致富

不锈钢玻璃楼梯扶手立柱护栏栏杆阳台家用室内楼梯立柱

考神保佑江苏学子

张艺兴深v真空羽毛造型##qeelin全球品牌代言人张艺兴

魔兽争霸3冰封王座经典游戏高清桌面壁纸

女头ins风动漫黑白

休闲棉麻裤女宽松九分裤新款哈伦裤亚麻裤子女萝卜裤