日本汤治文化启示录:如何将禅意融入现代城市汤泉洗浴设计中_温泉

相关图片

中信惠州汤泉高端温泉

想泡就泡,想睡就睡,沈阳抚顺热高温泉养生世界等你来_汤泉

乐山上善居酒店:私汤1号院日式庭院套房重磅上线!

省内9间温泉酒店,低至¥328!

温泉水滑洗凝脂,冬寒赐浴汤泉宫

随机推荐

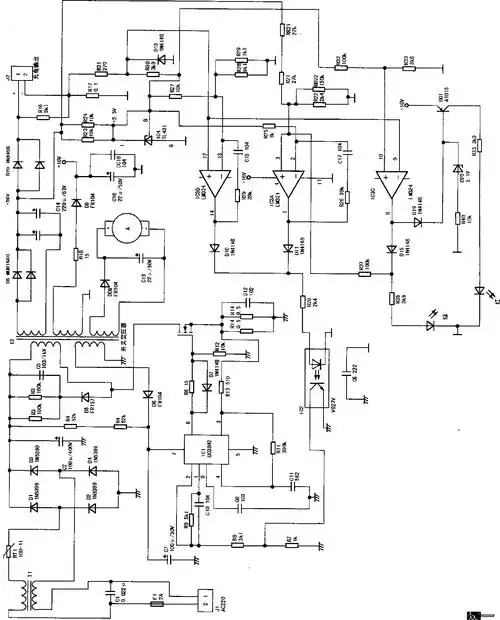
电动车充电器电路原理图

原创男生夏季就留这三种酷帅发型清爽自然又时尚好打理又有男人味

李小龙翻筋斗的唯一替身元华

纳丽雅实木包粽子模具厨房小工具家用商用端午三角形大粽多款粽子模具

吴亦凡二审判决,案件将会如何发展?

exo logo

本人后背可能长了毛囊炎,有5年时间了,不知你们有什么方法去掉,快被

一家四口#影子 - 小y杨 - 图虫