nellaxu做的午餐612021年10月30日

相关图片

新人自带昨天的午餐照片报到

娘俩的家常午餐花钱不多吃的满足秋天就是这样吃舒服

ke一家常菜做的午餐2018年9月12日

美美的午餐

梦想会喜欢de做的午餐2015年7月11日

随机推荐

狂喷鼻血小哥哥腹肌大合集这tm谁顶得住啊啊啊

零零后影视新秀青春活力少女-张子枫

曾志伟前妻首谈和前夫关系17年共3次抗癌最感激曾志伟和女儿

男士专用染发剂纯植物2020流行色自己染灰色亚麻雾蓝情侣专用染膏

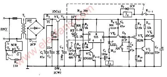
电饭煲自动控制器电路图

动漫,刀剑乱舞,三日月宗近,男生,帅气,壁纸,头像

沙海 黎簇 梁湾 吴磊 杨蓉(自截调色

原创39岁王鸥终于火了!"女反派"熬成女主角,成绩终究淹没了丑闻