甜美可爱的纯真抖音最火女生背景图-美女壁纸 - 壁纸之家

相关图片

2021抖音最火的十首歌曲,每首都很洗脑,看看你都听过几首?

鲜艳的百日草与蝴蝶抖音最火背景图片-动物壁纸 - 壁纸家

玉骨遥片头插画壁纸.2021年给玉骨遥画的片头插画,终于解禁 - 抖音

玉骨遥片头插画壁纸.2021年给玉骨遥画的片头插画,终于解禁 - 抖音

送你一张壁纸 2021的下半年,嘴角应该是上扬的.(壁纸不 - 抖音

随机推荐

王俊凯动图

李宁短袖t恤男女同款樱花系列舒适休闲运动短袖文化衫

闺蜜头像

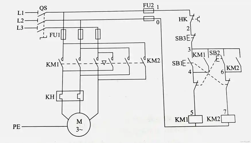
三相异步电机的基本控制电路_三相异步电动机控制电路-csdn博客

妲菲妮赛博朋克未来科技感发光护目眼镜科幻眼镜蹦迪摇摆拍照潮牌七彩

少女的色彩 马克笔动漫人物手绘教程

前次 小碎盖 显气质 精神男生改造计划女朋友都爱的帅气发型碎盖头潮

先兆流产,腹痛一天流出来的东西,其中有孕囊吗