唐僧:取个经嘛,简简单单#这谁顶得住啊 #视觉震撼 #霸气出场

相关图片

战至巅峰特辑敢问路在何方唐三藏同人

唐僧头像高清图片大全,好看的唐僧漫画头像_动漫头像_头像屋

动漫卡通唐僧头像高清图片

口袋西游唐僧

西游记唐僧设计图__动漫人物_动漫动画_设计图库_昵图网nipic.com

随机推荐

【表情包】进化完成版"小羊精"张艺兴玩转鸡条啦!

一般来说,寸头更加适合圆脸,方脸,倒三角脸等,而且除了脸型

王俊凯杨紫关系如何曾经打闹的两人现为避嫌换座

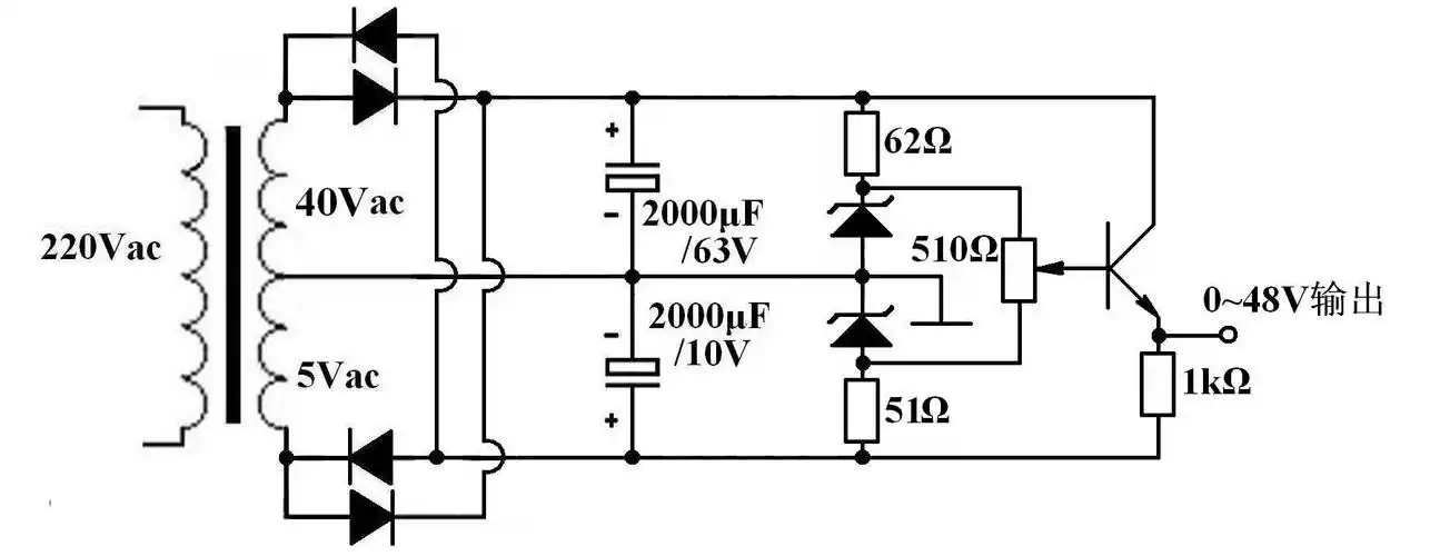
做一个整流0--48v可调电路图需要哪些元器件

小小恩爱夫妻微信情侣头像图片爱老婆的男人最

style星时尚专题##贺峻霖 fashion plate##贺峻霖 十八长翎破青空

此文完结于2017年,作者在微博上已上传了txt,此次搬文无授权换头凯源

创造101美女选手王婷迷人写真美照欣赏