早春新款小香风衬衣半身裙时尚粉色套装来啦!设计感十足 - 抖音

相关图片

韩系无袖polo领花边衬衫女高级感粉色半身裙气质大摆裙伞裙两件

姐妹们~粉色系真的好减龄啊~粉色碎花上衣 同色系半身裙

姐妹们,黑色短袖t恤搭配粉色半身裙真的好美!上身又甜又酷

蝴蝶结短袖针织上衣77粉色高腰半身裙

夏季2023新款粉色碎花半身裙女 - 17网

随机推荐

刘海长了不要减,往上一梳扎个马尾,美哭了!

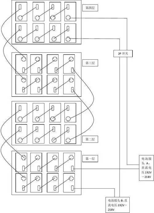
ups_a32电池箱内电池连接示意图_2组独立

《小别离》蒂娜在房间里,对着穿不下的衣服发愁

景汇小学阳光体育大课间趣味活动展风采

曺圭贤

外观设计精美安全可靠苏泊尔sf40fc386电饭煲测评

泡泡玛特创始人王宁85后创业卖盲盒公司上市市值破千亿

1由于江,河,湖,海受到太阳照射,水就变成水蒸气.