杨颖这么白穿黑色好衬她,"椰汁肌"配大红唇,穿裙子尽显女人味

相关图片

最近有一种不适合夏天却是女生心头爱的穿搭叫黑裙白鞋

90姐妹们,早春时尚套装来啦!白色衬衫搭配黑色半身包臀裙,经 - 抖音

杨颖这么白穿黑色好衬她,"椰汁肌"配大红唇,穿裙子尽显女人味

黑与白,轻松穿出好气质

不说了上图吧 鞋子非常漂亮,超级喜欢,减龄款哦,质量也很好,做工细致

随机推荐

街拍:小鬼王琳凯supreme紫色天使tee 牛仔裤 运动鞋 kangol渔夫帽潮范

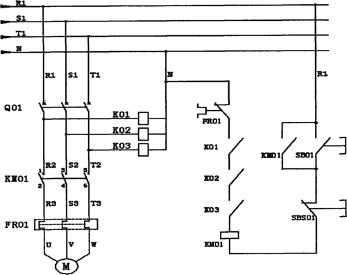
cn101888084a_电机缺相保护器失效

这首歌曾经是你的手机铃声吗一万个舍不得kiki大魔王

高清帅气的男头戴帽子头像冷酷霸气图片-男生头像 - 壁纸家

虞书欣壁纸

第五人格入殓师

69 电路图分享 69 220v交流接触器改成380v接线图 220v可以直接

27岁研究生竟被感冒夺命!药师提醒:千万别再这样吃药,后果真的很严重