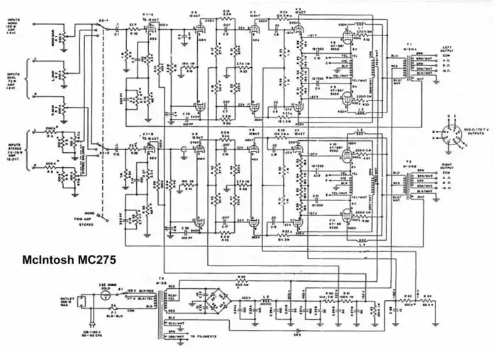
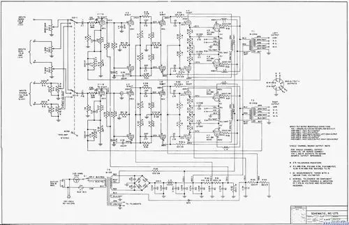
电子管麦景图mc275mcintosh275功率放大器电路图

相关图片

03 哪位大师,有麦景图275电路图的,发一份给我,谢谢

见麦景图 mc275 很合适,也有电路图.但有很多问题没搞清

一代名机mc275

麦景图275胆机kt88串火求助

mclintosh 麦景图c22(c-22) 经典电子管胆前级线路

随机推荐

胖胡子男性的肖像穿着夹克和棒球

拽姐头像#霸气头像女生超拽冷酷 - 抖音

张艺兴 #q版人物 可可爱爱(290766`29) (图片来源微博 - 抖

从此以后我就是个没双尖牙的人了

下巴过长会让人有压力,觉得好胜心很重. 返回搜

梁咏琪短发还是那么甜虽然穿着简约但很清爽一点看不出年纪感

吴莫愁吐槽大会与嘉宾花式互怼

p data-id="go0ou3c7a6">交谈是一个汉语词语,指以语言方式,来交流