老照片:80年代的青岛,记忆中的老样子

相关图片

感谢@葱头爆炒又 夏老师的私人藏品分享给大家一组青岛老照片原 - 抖

亲切!1985年青岛绝版老照片,老青岛的独家记忆,简直不能再熟悉

山东青岛:一组彩色老照片,记录日本侵占时期的青岛,你还能认出多少

1989年的青岛老照片,你见过吗?

一百年前的青岛老照片 - 抖音

随机推荐

王乐君#出演亲爱的热爱的,作为《#伪装者#》女一号,当年她为何没红

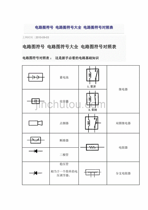
电路图符号电路图符号大全电路图符号对照表

依尤宁 那氟沙星乳膏 10g:0.1g2577

好冷的天儿高清直播回放_好冷的天儿小视频_好冷的天儿神曲 _ 好冷的

每天一句减肥励志语录

病毒性疱疹怎么治疗

2020最新女生脊柱纹身图集好看的脊柱纹身图片

超市3款"无人问津"的酒,是少有的纯正粮食酒,可惜很少人知道