有谁有火车轮对的具体尺寸谢谢

相关图片

火车有多少个

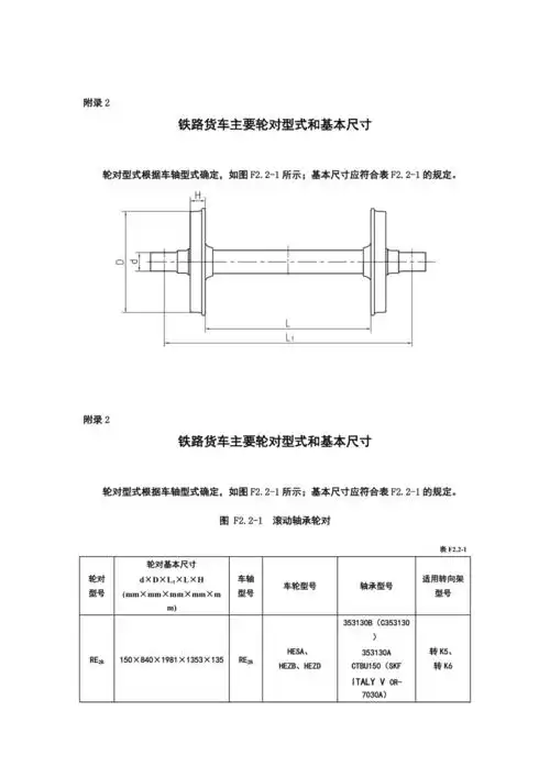
铁路货车主要轮对型式和基本尺寸

火车列车轮3d三维几何数模型高铁动车轮子solidworks图纸cad编辑

坐过那么多次高铁,你知道高铁轮子长什么样吗?

铁道车辆轮对结构关系ppt课件

随机推荐

蓝色系高清唯美海景风光精美高清壁纸

现在情侣没点表情包都不知道该怎么表达自己的情感,有时候害羞的话说

4-5厘米油画扇贝 双面海扇蛤 天然深海贝壳 颜色漂亮

1888阿尔向日葵文森特梵高

物品排列:圆形~ 作者:adam hillman

家有儿女的番外篇——刘星圆梦记

校服男头

吴千语最新近照,展示个人风采,我的风格,别有一番风味.