《红昭愿》热烈开场9599灵动似火97一舞梦回初见寻梦官@赖美云

相关图片

明星图片赖美云

赖美云ep旅梦情人节浪漫上线

赖美云kpl夏决评论席嘉宾

明星图片赖美云

创造101赖美云性感写真图片

随机推荐

女神江疏影,穿上时尚袜,朋友都说,这气质优雅_作品_样子_青春

10班和 二年级1至6班美术作品)

0401感叹一下黄旭熙的侧脸

老戏骨王庆祥,对人物情绪拿捏到位,表演精湛,演技铿锵有力

电视剧《格子间女人》 今晚收官感谢大家对谭斌的喜爱与支持,愿每一个

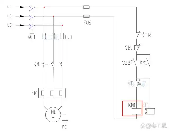
那么这个接触器在这个电路接触器接线图220v接触器接线图交流接触器

全球洲际导弹top10出炉印度烈火6排第十我国有两款上榜

锡纸烫和烟花烫的区别:外形不同,制作方法不同,特点不同,效果不同