窃贼

相关图片

窃贼

克拉拉瓦图片

国外盗贼犯罪分子图片第1张

巴拉克拉法帽,铁撬,盗贼,夜贼,坏人

盗贼小偷坏蛋图片

随机推荐

大家有没有周杰伦早期留狼尾的照片

肖战工作室发了15宫格#肖战,戴眼镜最好看的男人90

p>黄日华,1961年9月4日出生于广东省惠州市博罗县,中国香港男演员

【鸿艺】胡彦斌:who cares ? 2011专辑 cd_7折现价40元

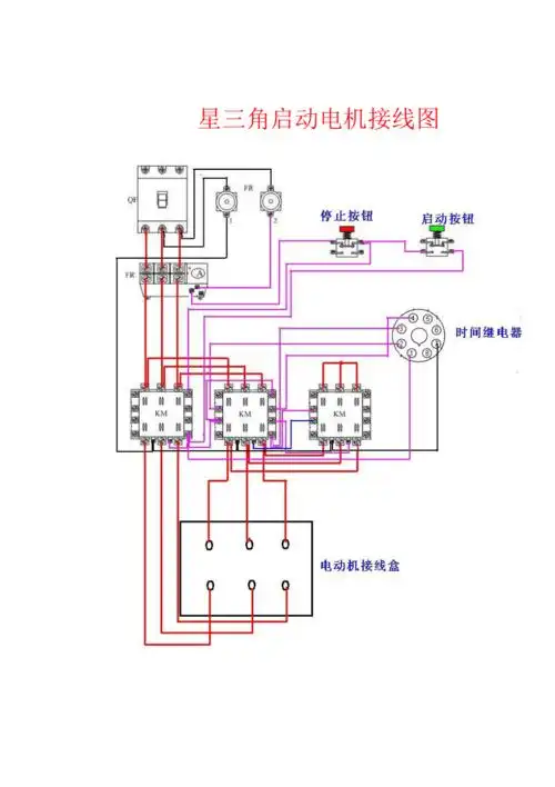
星三角启动电机接线图

令人毛骨悚然的黑暗怪物高清壁纸1280x1024分辨率查看

杨子姗:从歌手转行演员才红,35岁生女,老公不温不火还被骂抄袭

甄子丹携小18岁娇妻聚餐,那英老公罕现身,头发花白站角落状态差_孟桐