1.2 公路建设 三,路面结构图 低,中级路面 高级路面

相关图片

沥青道路路面结构

分享新建沥青路面结构图资料下载

一级建造师市政~沥青路面结构组成特点_基层_面层_路基

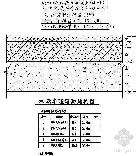
机动车道路面结构图

[分享]沥青路面工艺图资料下载

随机推荐

谢贤苏醒后催促谢霆锋张柏芝复婚决不容许王菲踏入谢家门

李婉华:和吴镇宇同居8年,转身爱上何家劲,结局如何?

「陈情令·忘羡」离舟 | 可我担得起命运,也爱得起你,所以无惧风雨

防风保暖防盗门软包包门皮革带海绵进户门翻新改造入户门加厚隔音

古代关羽武将骑马砍刀战场绘画图片

名侦探柯南,q版人物大全,你都认得出来吗?#你好,毕业生#柯南

【三国遗址公园】《迷你地铁》西安地铁线路图(更新至2021-6-29)

都是木头?松下吸尘器《家庭篇》摄制组假人挑战