采用pic16f72单片机控制直流无刷电机的电路原理图

相关图片

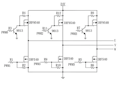
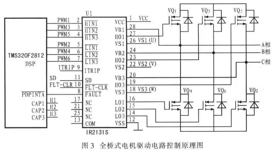
直流无刷电动机控制电路

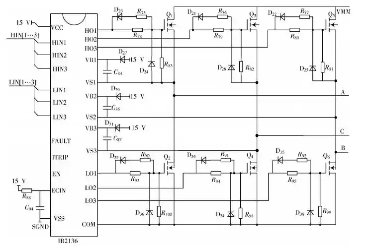
【无刷直流电机驱动主电路】

怎么实现无刷直流电机驱动电路的设计?

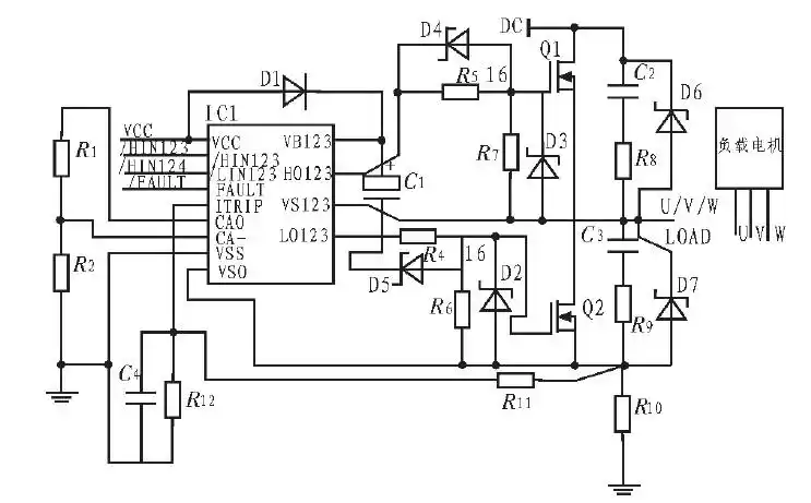
一种无刷直流电机及其自举全桥驱动电路

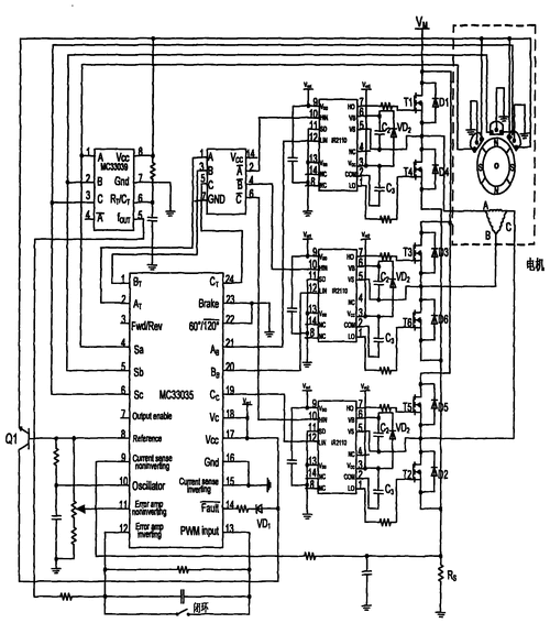
无刷直流电动机功率驱动电路设计

随机推荐

gucci品牌代言人鹿晗

经典的励志文字语录简约背景图片桌面壁纸高清高清大图预览1920x1080_

符龙飞 #ja符龙飞 大多人喜欢星星 可我只喜欢月亮 - 抖音

原创林更新那是肋骨外翻不是小肚子身高186体重143斤这还叫胖

火箭少女101 04披荆斩棘天使翼,火箭少女10104 成 - 抖音

斗罗大陆唐三肖战帅出新高度

群英会张恒后悔当初没追求祖锋

抽烟喝酒伤感的句子_qq说说网