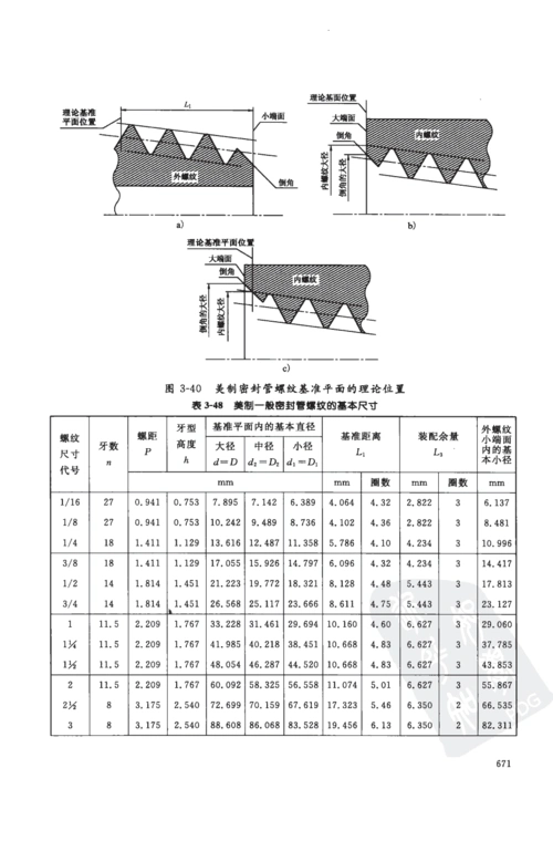
常用螺纹尺寸表(npt-r-公制-)

相关图片

npt螺纹标准

螺纹规格表

npt3╲4和1╲2螺纹螺距是一样的吧

螺纹基本尺寸对照表

普通螺纹尺寸表

随机推荐

演员聂欢,陪伴任嘉伦从无到有,10年来的选择令人动容

二次元动漫插画情侣cp壁纸

头像图片男生帅气暖男特别吸引女生的超酷男生头像

戚薇:第8027期时尚潮流美图欣赏

国风古装动漫美女

妈妈总是打我 这次拿的衣架打我 好痛的qaq 都有轻生的念头了qaq 我该

2020《紫都上海晶园》售楼处电话,位置,佘山精装独栋别墅,图文解析!

半决赛李光洁舞台视觉现场《跨界歌王》强调的是音乐的戏剧性.