许凯和白鹿被曝同居从戏中走进现实生活的cp于正会怎么回应

相关图片

白鹿高清壁纸头像(四十二)[色]

一定要让许凯和白鹿炒cp?可白鹿的观众缘真的不太行

原创许凯和白鹿在一起过吗多次合作还是一家公司关系亲昵

许凯和白鹿还在一起吗

原创许凯和白鹿在一起过吗多次合作还是一家公司关系亲昵

随机推荐

你好生活

怎样给小孩子扎头发图

葛洪桂龙药膏202g舒筋活络

500_750竖版 竖屏gif 动态图 动图

胡彦斌演男友苦等郭采洁一小时并不在意女友约会迟到

真探 第一季

值多少钻块_奶块_九游论坛

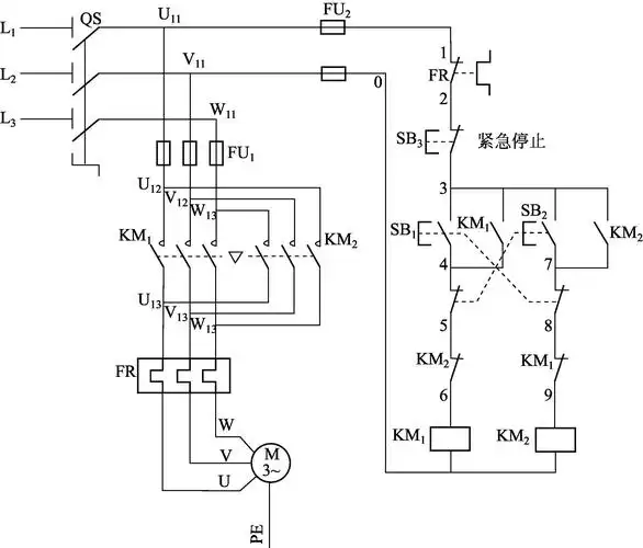
图1-23 三相异步电动机正反转控制接线图